Blood Oxygen Sensor

From PC5271 wiki
Jump to navigationJump to search

Team members

He Lingzi: e1352952@u.nus.edu
Xu Yintong: e1127400@u.nus.edu
Zhao Lubo: e1127502@u.nus.edu
Zhang Ruoxi: e1350111@u.nus.edu

Idea

This project aims to build a sensor to detect the oxygen concentration in the blood.

Blood oxygen sensors typically operate on optical principles. The most common type of blood oxygen sensor is the pulse oximetry (SpO2) sensor. The SpO2 sensor utilizes the light absorption characteristics to measure the oxygen saturation level of hemoglobin. It works by emitting two different wavelengths of light (usually red and infrared) through the skin into the blood, and then measuring the intensity of the light that is reflected back through the skin using corresponding photoelectric sensors. Based on the difference in absorption of red and infrared light, the oxygen saturation level in the blood can be calculated.

Introduction and Principle

...

Experimental Setup

Equipment used

  • Photodiode: S5971 - used for detecting transmitted light.
  • Operational Amplifier: OPA177 - configured for amplification of the photodiode signal.
  • Resistor: Install a 150k ohm resistor between the amplifier's output and the ground to adjust the gain of the amplifier based on the expected light intensity.
  • LEDs: 660 nm (red) and 940 nm (infrared) wavelengths – used for measuring the absorption characteristics of oxygenated and deoxygenated hemoglobin.
  • Function Generator: Tektronix AFG1022 – used to drive the LEDs.
  • Oscilloscope: R&S RTE2004 – used to observe the photodiode output signal.
  • Power Supply: Keithley 2231A-30-3 – configured to provide ±6 V.
  • Commercial Oximeter – used for reference comparison.

Circuit Setup

1. Photodiode and Amplifier Connection

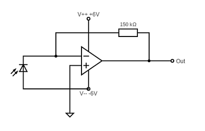
The S5971 photodiode is reverse-biased and connected to the inverting input of the OPA177 operational amplifier. A 150 kΩ feedback resistor is used between the output and the inverting input of the op-amp, forming a transimpedance amplifier. This configuration converts the small photocurrent generated by the photodiode into a readable voltage output.

8-Pin Op-Amp Pinout Description is shown below:

Circuit

Figure 1: Amplifier

The circuit diagram is shown below:

Circuit       Circuit

Figure 2: Circuit Diagram                                                                                                  Figure 3: Connected Circuit

2. Power Supply Configuration

The Keithley power supply only provides positive voltages. To generate a dual supply of ±6 V, two +6 V outputs were connected in series:

Connect the ground of one channel to the +6 V of the other. The remaining terminals act as +6 V and –6 V relative to the common ground. This provides a symmetric ±6 V supply for the op-amp.

3. LED Driving Signal

The 660 nm and 940 nm LEDs are driven by a square wave signal generated by the function generator:

  • Frequency: 500 Hz
  • Amplitude: 5 V (peak-to-peak)
  • Offset: +2.5 V

The offset ensures that the entire waveform stays within the positive voltage range (0–5 V), which simplifies interfacing and avoids negative voltages across the LED.

4. Signal Observation

The amplified signal from the op-amp is connected to the digital oscilloscope to observe the voltage waveform corresponding to the modulated LED signal. This helps in analyzing the absorption changes related to blood oxygen levels.

The total experimental setup is shown in the picture below:

Circuit

Figure 4: Experimental Setup

Measurements and Analyzing Data

....

Results, Comparison and Improvement

....

References

<references />