Precision Thermocouple Based Temperature Measurement System

From pc5271AY2526wiki
Jump to navigationJump to search

1. Introduction[edit | edit source]

Temperature sensing is a fundamental requirement across a wide range of scientific and engineering applications, and the Seebeck effect offers a direct physical mechanism for transducing a thermal gradient into a measurable electrical signal. This project assembles and validates a thermoelectric sensor system comprising a sintered ZnO pellet as the active sensing element, a controlled thermal stage, and a Keysight B2901A Source Measure Unit for voltage acquisition capable of resolving the microvolt-level signals that arise from an applied temperature difference across a semiconductor material.

This study investigates the thermoelectric response of an undoped zinc oxide (ZnO) pellet through direct measurement of its Seebeck coefficient under controlled thermal gradients. The Seebeck effect refers to the generation of an electrical potential when a material is subjected to a temperature difference, and it provides a direct means of probing charge transport behaviour in semiconductors.In materials such as ZnO, the thermoelectric response is strongly influenced by intrinsic defects, grain boundaries, and carrier concentration. These features make ZnO a well-suited and instructive material for studying how microstructure affects thermoelectric transport at room temperature — a regime that remains comparatively underexplored relative to the high-temperature measurements that dominate the existing literature.

The aim of this work is to determine the Seebeck coefficient of a sintered ZnO pellet using a Keysight B2901A Source Measure Unit operated as a nanovoltmeter, under open-circuit two-probe conditions. The study further examines the linearity and reproducibility of the thermoelectric response across four independent measurement runs, with particular attention to microvolt-level signal detection, uncertainties in thermal gradient measurement, and the identification of a reliable operating window. From a sensing standpoint, this linear regime represents a stable transfer function between the applied thermal gradient and the electrical output to be a thermoelectric sensor.

2. Theoretical Background[edit | edit source]

2.1. Seebeck Effect[edit | edit source]

The Seebeck effect describes the generation of an electrical potential across a material subjected to a temperature gradient. When a thermal difference is imposed, charge carriers at the high-temperature end possess greater thermal energy and diffuse preferentially toward the cooler region, establishing a charge imbalance that induces an internal electric field. Equilibrium is reached when this field opposes further carrier migration, and the resulting open-circuit voltage called the Seebeck voltage which is linearly proportional to the applied temperature difference:

V=SΔT

where:

  • V = thermoelectric voltage
  • S = Seebeck coefficient (µV/K)
  • ΔT = temperature across the sample

The sign of S directly reflects the dominant carrier type. A negative Seebeck Coefficient is characteristic of electron-dominated (n-type) transport, while a positive value indicates hole conduction (p-type).Here in our work, ΔT is determined from the readings of two K-type thermocouples placed in contact with the sample surface, and V is acquired using a nanovoltmeter. Four voltage readings are recorded at each ΔT increment and subsequently averaged to minimise the effect of short-term measurement fluctuations. The Seebeck coefficient is then extracted from the slope of a linear fit applied to the V versus ΔT dataset.

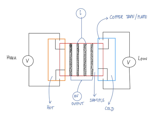
2.2. Two-Probe Measurement Technique[edit | edit source]

Schematic diagram of the experiment - two probe measurement


In this work, a two-probe measurement technique is employed to measure the Seebeck voltage generated across the sample. In this method, the same pair of contacts is used for voltage measurement. The thermoelectric voltage is directly measured across the sample using a high-precision nanovoltmeter. Since the Seebeck effect inherently produces a voltage under open-circuit conditions, no external current is required, making the two-probe method well-suited for this application. Although contact resistance can influence measurements in general electrical characterisation, its effect on Seebeck voltage measurements is minimal because no current flows through the sample. Therefore, voltage drops associated with contact and lead resistances are negligible. As a result, the two-probe configuration provides a simple and effective approach for determining the Seebeck coefficient in this setup.

2.2.1. Why Two-Probe Measurement Technique over Four-Probe Measurement Technique?[edit | edit source]

A two-probe measurement technique is preferred in this study because the Seebeck voltage is measured under open-circuit conditions, where no external current flows through the sample. Consequently, errors arising from contact and lead resistances are insignificant. In contrast, the four-probe method is primarily used for electrical resistivity measurements, where current is passed through the sample and voltage drops due to contact resistance must be eliminated. Since resistivity measurement is not the objective of the present work, the additional complexity of a four-probe configuration is unnecessary. Thus, the two-probe method offers a simpler, reliable, and sufficiently accurate approach for Seebeck coefficient measurement in this experimental setup.


2.3. Material Selection[edit | edit source]

Zinc oxide (ZnO) is recognised as an n-type semiconductor and exhibits a pronounced Seebeck effect. When a temperature gradient is established across the material, charge carriers migrate from the hotter side to the cooler side, resulting in the generation of a thermoelectric voltage. The magnitude and polarity of this voltage depend on the properties of the material, with ZnO typically exhibiting a negative Seebeck coefficient due to the predominant conduction of electrons. The Seebeck coefficient for zinc oxide (ZnO) usually falls within the range of approximately –100 to –500 µV/K, which can vary based on factors such as temperature, doping, and the methods used in material preparation. The negative value indicates that ZnO functions as an n-type semiconductor, with electrons serving as the dominant charge carriers.

The ZnO was prepared by grinding 3 grams of Sigma-Aldrich 99% pure ZnO and making a circular pellet under mechanical pressure. The pellet was first annealed for 5 hours at 300°C. Since the pellet was not hard enough to cut, it was re-annealed at 500°C for 3 hours. On cooling, it was cut into a rectangular shape of thickness 3 mm.

3. Experimental Setup[edit | edit source]

Schematic diagram of the experiment
Experimental setup
Experimental setup of the sample
Temperature Difference Measurement


The experimental setup comprises two copper blocks functioning as thermal reservoirs, separated by a gap of approximately 3–4 mm. Each copper block has dimensions of about 12–15 mm in width and 8–10 mm in height, providing mechanical stability while minimizing thermal mass. A ZnO slab with a thickness of 3mm and length about 6mm is positioned across the gap, overlapping slightly (~1 mm) on both blocks to ensure optimal thermal contact.

On the hot side, a layered structure is implemented, consisting of a copper block, a layer of Kapton tape for electrical insulation, and a power resistor serving as the heating element. The cold side features a similar configuration without the heater, allowing it to remain near ambient temperature. This arrangement establishes a controlled temperature gradient across the ZnO sample.

Four electrical contacts are applied to the top surface of the ZnO slab using conductive silver paste, arranged in succession from the hot side to the cold side as Tₕ, V⁺, V⁻, and Tc. The total probe span is maintained at approximately 4 mm to ensure that all contact points fall within the pellet surface. Thermocouples are connected at Tₕ and Tc to measure the temperature difference across the sample.

The Seebeck voltage is measured between the V⁺ and V⁻ contacts, while the temperature gradient is obtained from the thermocouple readings. This configuration facilitates accurate determination of the Seebeck coefficient while minimizing errors associated with contact resistance and thermal instability.

3.1. Configuration of the Nano-voltmeter[edit | edit source]

Configuration of the Nano-voltmeter

In this experiment, the Keysight B2901A Source Measure Unit (SMU) is configured to operate as a nanovoltmeter for measuring the thermoelectric voltage generated across the ZnO pellet. The measurement is performed under near open-circuit conditions to capture the voltage arising from the Seebeck Effect, where a temperature gradient drives charge carriers and establishes an internal electric field. To avoid perturbing this equilibrium, the SMU sources a negligible current of 0.001 nA and, with its high input impedance, minimizes loading of the sample. A two-probe configuration is used with the force terminals connected as recommended since no current flows and sense correction is not required. The trigger function initiates measurements at each new heater input, and for each ΔT, four readings are recorded and averaged. Data are stored as CSV files, and the 100 nV resolution enables detection of microvolt-level signals.

4. Results (Thermoelectric Characterisation of Undoped ZnO Pellet)[edit | edit source]

4.1. Output Voltage Response to Applied Temperature Difference[edit | edit source]

Graph-1
Graph-2
Graph-3
Graph-4

The thermoelectric response of the synthesized undoped ZnO pellet was examined by measuring the output voltage (Vout) generated across the pellet at varying temperature differences (ΔT), using the Keysight B2901A Source Measure Unit. The temperature gradient was established by stepping the heater input voltage (Vin) was stepped between 2.0 V and 3.0 V, producing temperature differences in the range of 1°C to 14°C across the pellet. At every ΔT step, four consecutive voltage readings were recorded and averaged to reduce the effect of short-term fluctuations. Before each of the four independent runs, silver paste was freshly applied at both contact points to ensure reliable electrical coupling between the measurement leads and the pellet surface.

Throughout all four runs, the output voltage was negative at every measured temperature difference, with values lying between −59 μV and −80 μV across the different runs. The Vout versus ΔT data for all four runs are presented in Graphs 1 through 4.

4.2. Linear Fitting and Extraction of the Seebeck Coefficient[edit | edit source]

To extract the Seebeck coefficient, a linear regression was carried out on the averaged Vout versus ΔT data from each run, using the relationship Vout = S·ΔT, where the gradient S corresponds to the Seebeck coefficient. Before fitting, any data points that deviated noticeably from the general linear trend were removed, since keeping them in was found to skew the fit and inflate the residual error without reflecting the true behaviour of the pellet. The reliability of each fit was then checked using the coefficient of determination (R²).

The R² values across the four runs came out between 0.949 and 0.994, which indicates that the linear model described the data well in all cases. Reading the slope values directly from the fitted lines shown in Figures 1 through 4:

Graph Slope (μV/K)
Graph 1 0.900 ± 0.039 0.994
Graph 2 1.066 ± 0.123 0.949
Graph 3 0.933 ± 0.071 0.978
Graph 4 0.836 ± 0.067 0.963

The mean Seebeck coefficient extracted across the four runs is S = −0.934 ± 0.094 μV/K. The negative sign reflects the consistently negative output voltage observed throughout all measurements, confirming that electrons are the dominant charge carriers and that the undoped ZnO pellet behaves as an n-type semiconductor.The ± 0.094 μV/K uncertainty represents one standard deviation across the four runs and captures the variation that came with reapplying the silver paste contacts between each run.

4.3. Anomalous Behaviour Beyond ΔT = 14°C[edit | edit source]

Within the primary measurement window of ΔT = 1°C to 14°C, the output voltage increased monotonically from approximately −71 μV toward less negative values with increasing temperature difference, consistent with the linear thermoelectric response characterised in Section 4.2. At ΔT = 14°C, the output voltage reached a maximum of approximately −61.5 μV. Beyond this point, a departure from the established trend was observed. At ΔT = 16°C, the output voltage reversed direction, falling back to approximately −63.5 μV rather than continuing to increase. This behaviour was reproduced consistently across repeated measurements conducted under identical conditions, confirming that the reversal is a systematic feature of the pellet's response and not attributable to instrumentation noise, contact instability, or measurement artefact. The onset of this anomalous behaviour at ΔT = 14°C therefore defines the practical upper limit of the linear operating window for this measurement configuration. All primary data used for Seebeck coefficient extraction were accordingly restricted to ΔT ≤ 14°C. The physical mechanisms underlying this behaviour are examined in Section 5.3.

5. Discussion[edit | edit source]

5.1. Interpretation of the Output Voltage Response[edit | edit source]

The output voltage remains consistently negative across all temperature differences and all four measurement runs, indicating a stable thermoelectric response characteristic of n-type ZnO. Importantly, no polarity reversals are observed, suggesting that the measured signal is not affected by contact instability or measurement drift during thermal cycling. In addition to this consistent polarity, the data exhibits a nearly ΔT-independent voltage offset in the microvolt range. Since this component does not scale with the applied temperature difference, it is not part of the Seebeck response and likely arises from systematic contributions in the measurement loop, such as metal–semiconductor contact potentials. Because this offset remains essentially constant, it does not affect the slope-based extraction of the Seebeck coefficient. Despite repeated reapplication of contacts between runs, the temperature-dependent trend remains reproducible, indicating that the thermoelectric sensitivity is governed by the bulk response of the ZnO pellet, while variations between runs are largely confined to the baseline voltage level rather than the ΔT-dependent behaviour

5.2. Discussion of the Extracted Seebeck Coefficient[edit | edit source]

The linear fits carried out on the four runs gave individual slope values of 0.900, 1.066, 0.933, and 0.836 μV/K, with R² values ranging from 0.949 to 0.994. The fits themselves were good — the R² values confirm that a linear relationship between Vout and ΔT held reasonably well across all four runs. The more interesting observation is the spread in the slope values, which ranged from 0.836 to 1.066 μV/K. This level of run-to-run variation points most naturally toward the silver paste contacts. Each time the paste was reapplied, the thickness, coverage, and curing of the contact layer changed slightly, and those changes show up as differences in the contact EMF at the silver–ZnO interface and, consequently, scatter in the extracted slope. Graph 2 2 is the clearest example of this, it gave the highest slope and the lowest R², which together suggest the contact conditions were less stable in that particular run than in the others.

The mean Seebeck coefficient of S = −0.934 ± 0.094 μV/K, while internally consistent and physically meaningful in its sign, sits far below the values reported in the literature for undoped ZnO pellets, where the typical range at room temperature is −350 to −430 μV/K. This gap is large enough that it cannot be pinned on any single factor — several things contributed to it simultaneously.

The positioning of the temperature sensors is one of them. Rather than being placed directly against the pellet faces, the thermocouples sat near the heater and heat sink, which means the recorded ΔT includes the thermal resistance drop between the sensor and the pellet surface. The actual temperature difference across the pellet was therefore smaller than what was recorded. Since S is pulled from the slope of Vout against ΔT, a ΔT that is too large in the denominator will push the extracted S downward, a systematic error that is well recognised in two-probe Seebeck measurement configurations (Rawat & Paul, 2016).

The connecting wires between the pellet and the Keysight B2901A SMU are another factor. Those wires carry their own Seebeck coefficients, and since the instrument measures the voltage of the full circuit rather than the pellet alone, the extracted slope reflects the combined thermoelectric response of every component in the loop (Rowe, 2006). Without knowing and subtracting the wire contribution, the slope cannot be taken as the pellet's Seebeck coefficient in isolation. The B2901A, while offering a voltage measurement resolution of 100 nV, is a two-probe instrument in this configuration and therefore cannot decouple the sample voltage from the lead contributions (Keysight Technologies, 2020).

The narrow ΔT range particularly in runs where it extended down to 1°C also played a role. At those small temperature differences, the thermoelectric voltage across the pellet drops into the sub-microvolt range, which is where electromagnetic interference and thermal drift in the lab environment start to compete with the signal itself. A minimum ΔT of 3–5 K is generally recommended for this reason (Goldsmid, 2010).

Beyond these instrumentation-level factors, the pellet itself contributes to the underestimation. Its high resistivity a product of grain boundary barriers and residual porosity from conventional air sintering limits the thermoelectric voltage that can be drawn out at the terminals (Özgür et al., 2005). There is also the question of bipolar conduction. In lightly doped or near-intrinsic semiconductors, a small population of thermally excited minority carriers, holes in this case, contribute a Seebeck voltage of opposite sign to the electron contribution, which partially cancels the net thermopower and reduces the measured value of S (Snyder & Toberer, 2008). On top of this, oxygen adsorption at grain boundary surfaces during measurement in ambient air acts to deplete near-surface electrons and raise local resistivity, adding another layer of suppression to the already modest signal (Look, 2001).

Perhaps the most fundamental point of all, though, is that the literature values of −350 to −430 μV/K are not room-temperature numbers. They are almost universally measured at elevated temperatures typically between 600 K and 1273 K using dedicated instruments operating under controlled inert atmospheres (Rowe, 2006). At those temperatures, carrier concentration and mobility are thermally activated to levels far above what they are at room temperature, putting those measurements in a completely different transport regime. Comparing a room-temperature measurement in ambient air with high-temperature literature values is therefore not a like-for-like comparison, and the gap between the two should not be read as a straightforward indication of measurement failure.

5.3. Physical Interpretation of the Anomalous Behaviour Beyond ΔT = 14°C[edit | edit source]

The reproducible reversal in the Vout versus ΔT trend beyond 14°C is worth examining carefully. Up to ΔT = 14°C, the voltage climbs steadily toward less negative values in the manner expected of a well-behaved thermoelectric response. At ΔT = 16°C, it drops back down instead of continuing upward, and this happened the same way every time the measurement was repeated. That rules out a contact issue or an instrument fluctuation. Something in the pellet's response changes once the temperature difference crosses that threshold.

The most straightforward explanation is grain boundary Schottky barrier breakdown. Within the linear regime, the electrostatic barriers at ZnO grain boundaries are stable, and the thermoelectric voltage builds up coherently along the pellet. As ΔT climbs beyond 14°C, the electric field across individual grains grows to the point where it begins to overwhelm those barriers. Carriers start crossing grain boundaries through tunnelling or avalanche-type mechanisms, which disrupts the orderly voltage accumulation and pulls the net measured output back down (Özgür et al., 2005; Rowe, 2006). This is closely related to the varistor-like switching behaviour that ZnO grain boundaries are well known for, where each active grain boundary interface sustains a charge barrier before breakdown occurs.

Resistive self-heating adds to this. At higher heater input voltages, more power is dissipated within the pellet, creating an internal temperature gradient that partially works against the externally applied ΔT. The net thermal driving force is reduced, and with it the thermoelectric voltage. In undoped ZnO, which already carries high resistivity, this effect is more significant than it would be in a more conductive sample, and it tends to concentrate at the silver paste contacts where current density peaks (Goldsmid, 2010). Between these two mechanisms: barrier breakdown and self-heating, the reversal at ΔT = 16°C has a clear physical basis, and restricting the primary measurements to ΔT ≤ 14°C was the appropriate response to it.

6. Conclusion[edit | edit source]

This study set out to measure the Seebeck coefficient of an undoped ZnO pellet at room temperature using a Keysight B2901A Source Measure Unit with silver paste contacts. Four independent measurement runs were carried out, each covering a temperature difference range of 1°C to 14°C, and the Seebeck coefficient was extracted from the slope of the Vout versus ΔT relationship in each case.

The clearest finding across all four runs was the consistently negative output voltage — every reading, at every temperature difference, in every run, came out negative. That alone is a meaningful result. It confirms that the undoped ZnO pellet behaves as an n-type semiconductor, with electrons as the dominant charge carriers — behaviour that is well documented in the literature and understood to arise from native point defects, chiefly oxygen vacancies and zinc interstitials, that introduce free electrons into the ZnO lattice (Özgür et al., 2005; Look, 2001). Averaging the slopes extracted from the four linear fits gave a final Seebeck coefficient of S = −0.934 ± 0.094 μV/K, where the spread in values across the runs reflects primarily the variability introduced by reapplying the silver paste contacts before each run.

This value is considerably smaller in magnitude than what the literature reports for undoped ZnO pellets, where values of −350 to −430 μV/K are typical. That gap is large, but it has a clear explanation — and more than one factor feeds into it. The thermocouples were not placed directly on the pellet faces, which means the recorded ΔT was larger than the real temperature difference across the pellet, pulling the extracted S downward. The connecting wires contribute their own thermoelectric voltages to the circuit, and without correcting for these, the measured slope cannot be taken as the pellet's Seebeck coefficient alone. The narrow temperature differences used in some runs pushed the signal into the sub-microvolt range, where noise and drift become competitive. And the pellet itself sintered in ambient air, carrying high resistivity from grain boundary Schottky barriers — limited how much of the thermoelectric voltage could be extracted at the terminals (Rawat & Paul, 2016; Goldsmid, 2010; Rowe, 2006; Snyder & Toberer, 2008). Crucially, the literature values of −350 to −430 μV/K are not room-temperature figures — they come from measurements at 600 K to 1273 K under inert atmospheres, which is a fundamentally different regime from what was used here. The comparison is therefore not a straightforward one.

A reproducible anomaly was also identified beyond ΔT = 14°C, where the output voltage reversed its upward trend rather than continuing to climb. This happened consistently every time the measurement was repeated past that threshold, pointing to a genuine physical change in the pellet's response rather than a measurement glitch. Grain boundary Schottky barrier breakdown and resistive self-heating within the pellet are the most likely causes, both of which are characteristic of polycrystalline undoped ZnO sintered in air at elevated thermal gradients (Özgür et al., 2005; Rowe, 2006). All primary measurements were kept within ΔT ≤ 14°C on this basis.

Overall, the study demonstrates that the undoped ZnO pellet exhibits thermoelectric behaviour that is physically consistent and interpretable. The n-type character of the material was confirmed unambiguously, a Seebeck coefficient was successfully extracted within a well-defined linear measurement window, and the limitations of the two-probe room-temperature setup were identified and accounted for. The results, while not matching literature values in magnitude, are defensible and informative within the context of the experimental conditions employed.

7. Future Works[edit | edit source]

Several things came out of this study that point clearly toward what should be done differently or explored further.

Thermocouple placement is another straightforward improvement. Placing the temperature sensors directly against the pellet faces, rather than near the heater and heat sink, would give a more accurate reading of the actual ΔT across the pellet. The current off-sample placement introduces a systematic error that pulls the extracted S downward, and fixing this alone would noticeably improve the accuracy of the measurement.

Carrying out the measurements under an inert atmosphere — nitrogen or argon — rather than in ambient air would remove the effect of oxygen adsorption at grain boundary surfaces. Oxygen adsorption depletes near-surface electrons in ZnO and raises local resistivity, both of which suppress the thermoelectric signal during measurement (Look, 2001). Beyond just removing a source of error, this would also make the conditions more comparable to those used in the literature, which is where most of the reported reference values come from.

Extending the temperature range of the measurements would be a natural next step. The literature values of −350 to −430 μV/K are measured at 600 K to 1273 K, and at those temperatures the carrier concentration in undoped ZnO is thermally activated to levels well above what it is at room temperature (Rowe, 2006; Goldsmid, 2010). Measuring at elevated temperatures — even just up to 400 or 500 K — would allow a much more meaningful comparison with published data and would likely yield a larger and more easily measured Seebeck signal.

Improving the pellet itself is also worth pursuing. Sintering at higher temperatures or under a reducing atmosphere has been shown to reduce grain boundary barrier heights, lower resistivity, and improve carrier transport in ZnO ceramics (Özgür et al., 2005). A denser, better-sintered pellet would produce a stronger thermoelectric signal and would behave more predictably across a wider range of conditions.

Finally, replacing the hand-applied silver paste contacts with something more reproducible — sputtered or evaporated metal contacts, for instance — would reduce the run-to-run variability that was clearly present in this study. The spread in extracted slope values from 0.836 to 1.066 μV/K across the four runs was largely a contact issue, and a more controlled contacting method would tighten that spread and give a more precise final value for the Seebeck coefficient.

8. References[edit | edit source]

Rawat, P. K., & Paul, B. (2016). Simple design for Seebeck measurement of bulk sample by 2-probe method concurrently with electrical resistivity by 4-probe method in the temperature range 300–1000 K. Measurement, 94, 297–302. https://doi.org/10.1016/j.measurement.2016.05.104

Goldsmid, H. J. (2010). Introduction to thermoelectricity. Springer. https://doi.org/10.1007/978-3-642-00716-3

Rowe, D. M. (Ed.). (2006). Thermoelectrics handbook: Macro to nano. CRC Press.

Snyder, G. J., & Toberer, E. S. (2008). Complex thermoelectric materials. Nature Materials, 7(2), 105–114. https://doi.org/10.1038/nmat2090

Özgür, Ü., Alivov, Y. I., Liu, C., Teke, A., Reshchikov, M. A., Doğan, S., … Morkoç, H. (2005). A comprehensive review of ZnO materials and devices. Journal of Applied Physics, 98(4), 041301. https://doi.org/10.1063/1.1992666

Look, D. C. (2001). Recent advances in ZnO materials and devices. Materials Science and Engineering: B, 80(1–3), 383–387. https://doi.org/10.1016/S0921-5107(00)00604-8

Keysight Technologies. (2020). B2901A Precision Source/Measure Unit datasheet. https://www.keysight.com/