Rotational Speed Measurement System Based on Hall-Effect Sensor
1 Introduction[edit | edit source]
1.1 Objectives[edit | edit source]
As a semiconductor device based on the Hall effect, the Hall sensor is capable of converting magnetic-field variation into an electrical response, making it highly suitable for rotational monitoring and related sensing applications. The objective of this experiment is to demonstrate how periodic magnetic variation associated with rotational motion can be translated into a measurable electrical signal.
1.2 Related Applications[edit | edit source]
This experiment is representative of a practical approach to non-contact rotational sensing, which is widely applied in systems requiring speed monitoring. Such a principle is particularly relevant to motor-based devices, automated machinery, and rotational control systems, where accurate detection of rotational behavior is essential for performance regulation and operational reliability.
2 Background[edit | edit source]
2.1 Fundamental Basics - Hall Effect[edit | edit source]
The Hall effect could be explained using the rectangular semiconductor plate shown in Fig. 1. A bias current flows through the Hall element via the current terminals and , while a magnetic field is applied perpendicular to the plane of the semiconductor. Under these conditions, the moving charge carriers experience the Lorentz force,
which deflects them laterally and causes charge accumulation on opposite sides of the semiconductor. This establishes a transverse electric field , known as the Hall field, and gives rise to a measurable Hall voltage across the sensing terminals and .
At equilibrium, the magnetic deflection is balanced by the electric field within the Hall element. Consequently, the Hall voltage is proportional to the applied magnetic field and the bias current. In a simplified form, it may be expressed as
and more specifically as
where is the carrier concentration, is the carrier charge, and is the thickness of the semiconductor plate. The geometric parameters , , and represent the length, width, and thickness of the Hall element, respectively, while denotes the electric field associated with the applied bias.
This relationship shows that the Hall voltage arises from the interaction between carrier motion and the externally applied magnetic field. In practical Hall sensors, the Hall voltage is further processed by internal circuitry to generate a stable output signal, thereby enabling magnetic-field variation to be converted into an electrical response for rotational speed measurement.

2.2 Speed Hall sensor[edit | edit source]
2.2.1 Classification and Selection of Hall Sensors[edit | edit source]
Hall sensors can be classified into different types according to their magnetic response characteristics, such as unipolar, bipolar, omnipolar, and latching sensors. In this experiment, a bipolar Hall sensor (SS411P) was selected because the rotating disk carries two magnets with opposite magnetic polarities, and this sensor is specifically designed to respond to alternating North and South poles, making it more suitable than the other types for generating distinct output states during rotation.
2.2.2 Working Principle[edit | edit source]
Building on this physical basis, the Hall sensor serves as a practical magnetic switching device in the present system. Rather than measuring the Hall voltage directly, the sensor uses its internal circuitry to convert the detected magnetic state into a discrete electrical output. When the rotating disk brings oppositely oriented magnets past the sensing region, the magnetic polarity at the sensor changes periodically, and the SS411P correspondingly switches between two output states. This produces the alternating high- and low-voltage waveform observed on the oscilloscope, from which the signal period can be measured and related to the rotational motion of the disk. In this way, the Hall sensor provides the essential link between magnetic-field variation and electrical speed measurement in a non-contact configuration.
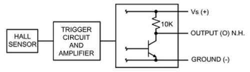
2.2.3 Functions for Each Pin[edit | edit source]
For the SS411P sensor, the three pins are VS, GND, and OUT. The VS pin is connected to the supply voltage and provides the operating power for the sensor, the GND pin serves as the electrical reference and completes the circuit, and the OUT pin delivers the output signal generated in response to the detected magnetic field.

3 Experimental Details[edit | edit source]
3.1 Apparatus and Setups[edit | edit source]
| Apparatus | Specification | Purpose |
|---|---|---|
| Circular disk | Diameter: 80mm
Thickness: 3mm |
Mounted on the motor shaft to provide stable rotational motion |
| Magnet × 2 | Diameter: 5mm
Thickness: 5mm |
Generate alternating magnetic fields for Hall sensor detection |
| Electric motor | DC motor with adjustable rotational speed | Drive the circular disk to produce periodic motion |
| Hall sensor | SS411P | Detect the changing magnetic field and generate a digital output signal |
| Stand × 2 | / | Support and align the motor, disk, and Hall sensor |
| DC Power supply | 2231A-30-3 | Supply power to the Hall sensor and the motor |
| Digital Oscilloscope | RTB2004
2.5GSa/s |
Display and measure the output waveform from the Hall sensor |
| Breadboard | / | Construct and connect the sensor circuit |
| Wires | / | Provide electrical connections between the components |
To ensure both mechanical stability and reliable electrical measurement, a rigid circular disk with uniform thickness was mounted on the motor shaft to maintain rotational balance and minimize wobble, then rotated by motor for continuous motion. To improve the mechanical coupling, a central hole was drilled in the disk by soldering machine and subsequently adjusted using a heat gun to achieve a closer fit to the shaft. Two magnets with opposite magnetic directions were attached to the disk, while the Hall sensor was positioned adjacent to the rotating path so that the changing magnetic field could be detected during rotation. The motor and Hall sensor were powered by an external supply, and the Hall sensor was connected on a breadboard for circuit integration. Finally, the sensor output was connected to the oscilloscope, where the resulting digital waveform could be observed. The actual experimental setups is shown below in Fig. 3.

3.2 Power Supply Configuration[edit | edit source]
Specifically, the power supply employed in the present experiment consisted of three independent channels, two of which were used. Channel 3 was dedicated to supplying the Hall sensor. Based on the SS411P datasheet, a supply voltage of 5 V was selected, and the sensor was therefore operated at . Channel 2 was used to drive the motor. By varying the motor supply voltage, the rotational speed of the disk could be adjusted, thereby allowing the effect of rotational speed on the output signal to be investigated under controlled conditions.
3.3 Breadboard Setup[edit | edit source]
3.3.1 Wiring Connections[edit | edit source]
The breadboard connections were arranged according to the three-pin configuration of the Hall sensor and the requirements of signal measurement, as shown in Fig. 4. The supply terminal of the sensor was connected to the positive power rail, providing the operating voltage required for the Hall sensor. The ground terminal was connected to the ground rail, thereby establishing the common electrical reference for the circuit. The output terminal of the Hall sensor was then routed to a dedicated signal node on the breadboard. This same node was connected to the oscilloscope input so that the electrical response of the sensor could be observed directly during disk rotation.

3.3.2 Role of the Pull-Down Resistor[edit | edit source]
In addition, a pull-down resistor was connected between the output node and ground to establish a defined low-level state and to prevent the output from floating in the absence of active switching. As illustrated in the figure, without a pull-down path the output node may not return immediately to a well-defined voltage level after switching, which can lead to slow recovery and waveform distortion. By introducing the resistor, the output is driven toward a stable low-level state, thereby improving the sharpness and stability of the digital signal. For this reason, a resistor was incorporated into the present circuit so that a clearer and more reproducible waveform could be obtained on the oscilloscope.

4 Experimental Procedures and Results[edit | edit source]
4.1 Experimental Process[edit | edit source]
The experimental setup employed an SS411P Hall-effect sensor to detect the rotation of a circular disk with a diameter of 8 cm. The sensor was operated at a constant supply voltage of 5 V, corresponding to a current of 0.005 A. To maintain consistent magnetic flux change during each pass, a vertical separation of 3 cm was kept between the magnets and the Hall sensor.
4.1.1 Tangential Velocity Formula[edit | edit source]
The diameter , circumference () of the disk can be calculated as:
Assuming the sensor receives one pulse for every revolution of the disk, then:
where is the rotational frequency (rev/s).
Assuming each pulse represents one full rotation, the tangential velocity is:
4.1.2 Stability Metric[edit | edit source]
The Standard Deviation (StdDev, ) recorded by the oscilloscope represents the small fluctuation of the pulse triggers. It is utilized as the primary indicator of measurement uncertainty and system instability.
The velocity uncertainty ():
4.1.3 Linear Regression and Fitting[edit | edit source]
To quantify the relationship between electrical input (x) and velocity (y), the Method of Least Squares is applied:
Where slope (b) represents the sensitivity of speed to changes in voltage or current, intercept (a) is the theoretical threshold value for the motor to overcome internal friction.
The quality of the linear fit is assessed using the coefficient:
Where (Residual Sum of Squares) presents unexplained variance between observed and predicted values, (Total Sum of Squares) presents total variance of the observed velocity data.
4.2 Group I: Asymmetric Magnet Configuration[edit | edit source]
The rotor was equipped with an asymmetric magnet arrangement comprising four magnets of identical diameter: three with uniform thickness and one with a different thickness.
4.2.1 Constant Voltage Mode[edit | edit source]
Input voltage was from 0.40V to 2.00V, and the results are shown in Table 1:
Table 1 Stability metric and versus velocity under constant voltage mode
| Voltage/V | Current range/A | Frequncy/Hz | StdDev/mHz | Velocity/cm/s |
|---|---|---|---|---|
| 0.40 | 0.107-0.140 | 0.44499 | 1.55193 | 11.17815 |
| 0.60 | 0.119-0.145 | 0.82223 | 2.37705 | 20.65442 |
| 0.80 | 0.129-0.155 | 1.19922 | 2.97037 | 30.12441 |
| 1.00 | 0.130-0.160 | 1.43416 | 3.96689 | 36.02610 |
| 1.20 | 0.140-0.165 | 1.76934 | 4.67602 | 44.44582 |
| 1.40 | 0.154-0.176 | 2.10642 | 68.09750 | 52.91327 |
| 1.60 | 0.163-0.194 | 2.48317 | 5.73160 | 62.37723 |
| 1.80 | 0.177-0.214 | 2.90326 | 12.73610 | 72.92989 |
| 2.00 | 0.186-0.240 | 3.11264 | 7.98737 | 78.18952 |
Voltage and rotational speed are basically linearly related: , as shown in Figure 6.
Voltage and error do not follow a linear relationship, as shown in Figure 7, but under standard error they basically show an increasing trend.
[[File:fig6.jpg]
Figure 6. Tangential velocity vs. Input voltage
[[File:fig7.jpg]
Figure 7. Frequency standard deviation vs. Input voltage
In this mode, the data exhibited significant scatter (). However, at 1.40V, an instability peak appears, with a StdDev reaching 68.10 mHz.
4.2.2 Constant Current Mode[edit | edit source]
Input current was from 0.13A to 0.21A, and the results are shown in Table 2:
Table 2 Stability metric and versus velocity under constant current mode
| Current/A | Voltage range/V | Frequncy/Hz | StdDev/mHz | Velocity/cm/s |
|---|---|---|---|---|
| 0.13 | 0.60-0.70 | 0.89290 | 3.09062 | 22.42965 |
| 0.14 | 0.81-0.89 | 1.33012 | 176.81500 | 33.41261 |
| 0.15 | 1.02-1.09 | 1.59823 | 9.56639 | 40.14754 |
| 0.16 | 1.16-1.25 | 2.27975 | 1109.13000 | 57.26732 |
| 0.17 | 1.33-1.45 | 2.22710 | 170.18700 | 55.94475 |
| 0.18 | 1.42-1.62 | 2.64184 | 471.37200 | 66.36302 |
| 0.19 | 1.58-1.73 | 2.54130 | 262.94300 | 63.83746 |
| 0.20 | 1.74-1.79 | 2.75797 | 375.50600 | 69.28021 |
| 0.21 | 1.74-1.81 | 2.92263 | 238.11500 | 73.41647 |
The obtained current has a linear relationship with the rotational speed , as shown in Figure 8. The voltage and error do not conform to a linear or exponential relationship, as shown in Figure 9.
[[File:fig8.jpg]
Figure 8. Tangential velocity vs. Input voltage
[[File:jig9.jpg]
Figure 9. Frequency standard deviation vs. Input voltage
In this mode, the data exhibited significant scatter (), with the fluctuation reaching a peak value of 1109.13 mHz at 0.16 A. This suggests that the combination of magnetic field asymmetry and voltage regulation under current-driven operation led to the rotor's instability.
Also, a higher in constant voltage mode compared to constant current mode indicates that voltage control is more stable for this motor system.
4.2.3 Velocity Uncertainty[edit | edit source]
The velocity uncertainty calculated from Tables 1 and 2 is shown in Table 3.
Table 3 Asymmetric magnet speed uncertainty
| CV mode(V) | (cm/s) | CC mode(A) | (cm/s) |
|---|---|---|---|
| 0.40 | 0.039 | 0.13 | 0.0777 |
| 0.60 | 0.0597 | 0.14 | 4.4438 |
| 0.80 | 0.0747 | 0.15 | 0.2404 |
| 1.00 | 0.0997 | 0.16 | 27.8755 |
| 1.20 | 0.1175 | 0.17 | 4.2773 |
| 1.40 | 1.7115 | 0.18 | 11.8468 |
| 1.60 | 0.1441 | 0.19 | 6.6085 |
| 1.80 | 0.3201 | 0.2 | 9.4375 |
| 2.00 | 0.2007 | 0.21 | 5.9845 |
Stability in Constant Voltage (CV) Mode
In the CV mode, the uncertainty remained relatively low (typically < 0.35 cm), indicating that voltage control provides a fundamentally stable rotational environment for this motor.
In the 1.40 V Anomaly: A localized peak in uncertainty () was observed at 1.40 V. Since Magnet Group 1 utilized magnets of varying thickness, this instability likely indicates a mechanical resonance triggered at a specific angular velocity due to the rotor's mass imbalance.
Severe Instability in Constant Current (CC) Mode
In the CC mode exhibited significantly higher uncertainty compared to CV mode, with dropping to 0.9083.
The peak uncertainty reached 27.88 cm/s at 0.16 A. This is a result of the asymmetric magnetic field (one magnet being thicker than the others).
In CC mode, the power supply must continuously adjust the voltage to maintain a constant current against a varying load. The asymmetry creates a non-uniform torque requirement during each rotation, causing the supply to "hunt" for the correct voltage, which amplifies rotational jitter.
Impact of Magnetic Asymmetry
Non-uniform Pulse Timing: Because one magnet had a different thickness, the magnetic field detected by the Hall sensor was non-uniform. This led to variations in the timing of the triggered pulses, directly increasing the StdDev.
Mechanical Imbalance: The mass distribution of the asymmetric magnets caused the rotor to vibrate, especially as speed increased. These vibrations caused the distance between the sensor and magnets to fluctuate slightly, further destabilizing the output signal.
Conclusion
The analysis of Magnet Group 1 confirms that magnetic asymmetry is a primary driver of system instability. While Constant Voltage mode offers better resilience to these imbalances, the Constant Current mode exacerbates them through continuous electrical feedback. These findings justified the transition to the symmetric configuration (Group 2) as an experimental improvement.
4.3 Group II: Symmetric Magnet Configuration[edit | edit source]
To reduce the instabilities noted in Group 1, the improved experiment utilized a symmetric set of four magnets with identical diameter and thickness.
4.3.1 Constant Voltage Mode[edit | edit source]
Input voltage was from 0.40V to 2.00V, and the results are shown in Table 4:
Table 4 Stability metric and versus velocity under constant voltage mode
| Voltage/V | Current range/A | Frequncy/Hz | StdDev/mHz | Velocity/cm/s |
|---|---|---|---|---|
| 0.40 | 0.109-0.115 | 0.42658 | 2.29900 | 10.71569 |
| 0.60 | 0.112-0.124 | 0.75189 | 1.17105 | 18.88748 |
| 0.80 | 0.120-0.130 | 1.11022 | 3.74946 | 27.88873 |
| 1.00 | 0.136-0.147 | 1.48762 | 4.81741 | 37.36901 |
| 1.20 | 0.147-0.155 | 1.89560 | 2.80534 | 47.61747 |
| 1.40 | 0.156-0.177 | 2.25674 | 9.29897 | 56.68931 |
| 1.60 | 0.169-0.197 | 2.57919 | 22.52500 | 64.78925 |
| 1.80 | 0.174-0.235 | 2.87329 | 37.24640 | 72.17704 |
| 2.00 | 0.189-0.261 | 3.25731 | 1259.96000 | 81.82363 |
A strong linear relationship was observed between the input voltage and tangential velocity (), as illustrated in Figure 10. Furthermore, the measurement error (StdDev) followed a linear correlation with the voltage (), as shown in Figure 11, where the error exhibited a clear upward trend as the voltage increased.
[[File:fig10.jpg]
Figure 10. Tangential velocity vs. Input voltage
[[File:fig11.jpg]
Figure 11. Frequency standard deviation vs. Input voltage
In this mode, the velocity exhibited exceptional linearity (). Although stability was superior at most voltage levels, a significant resonance-like fluctuation emerged at 2.00 V (). This instability is attributed to the impact of high-speed operation on mechanical imbalances within the system.
4.3.2 Constant Current Mode[edit | edit source]
Input current was from 0.13A to 0.21A, and the results are shown in Table 5:
Table 5 Stability metric and versus velocity under constant current mode
| Current/A | Voltage range/V | Frequncy/Hz | StdDev/mHz | Velocity/cm/s |
|---|---|---|---|---|
| 0.13 | 0.76-0.78 | 1.11181 | 24.26930 | 27.92867 |
| 0.14 | 0.93-0.97 | 1.42701 | 27.95240 | 35.84649 |
| 0.15 | 1.12-1.18 | 1.75377 | 136.14300 | 44.05470 |
| 0.16 | 1.25-1.38 | 2.06477 | 29.71690 | 51.86702 |
| 0.17 | 1.33-1.55 | 2.27231 | 102.44900 | 57.08043 |
| 0.18 | 1.47-1.75 | 2.46409 | 121.15900 | 61.89794 |
| 0.19 | 1.57-1.77 | 2.94815 | 956.48900 | 74.05753 |
| 0.20 | 1.58-1.91 | 3.04197 | 793.15500 | 76.41429 |
| 0.21 | 1.62-2.06 | 3.16084 | 544.79300 | 79.40030 |
As shown in Figure 12, the velocity demonstrated a linear response to current, following the equation . The error, however, did not follow a linear correlation with current (Figure 13), and it displayed a broad increasing trend across the measured range.
[[File:fig12.jpg]
Figure 12. Tangential velocity vs. Input voltage
[[File:fig13.jpg]
Figure 13. Frequency standard deviation vs. Input voltage
In this mode, the current range remained identical to Group I (0.13–0.21 A). The implementation of symmetric conditions significantly enhanced the fitting quality, raising the value from 0.90830 in Group 1 to 0.98309. Furthermore, the peak StdDev at 0.16 A plummeted from 1109.13 mHz to 29.72 mHz, underscoring the critical role of magnetic symmetry in maintaining the stable operation of constant-current systems.
4.3.3 Velocity Uncertainty[edit | edit source]
The velocity uncertainty calculated from Tables 4 and 5 is shown in Table 6.
Table 6 Asymmetric magnet speed uncertainty
| CV mode(V) | (cm/s) | CC mode(A) | (cm/s) |
|---|---|---|---|
| 0.40 | 0.0578 | 0.13 | 0.6099 |
| 0.60 | 0.0294 | 0.14 | 0.7025 |
| 0.80 | 0.0942 | 0.15 | 3.4216 |
| 1.00 | 0.1211 | 0.16 | 0.7469 |
| 1.20 | 0.0705 | 0.17 | 2.5748 |
| 1.40 | 0.2337 | 0.18 | 3.045 |
| 1.60 | 0.5661 | 0.19 | 24.0392 |
| 1.80 | 0.9361 | 0.2 | 19.9341 |
| 2.00 | 31.6662 | 0.21 | 13.6921 |
In the constant current mode, the velocity uncertainty at 0.16 A dropped significantly from 27.88 cm/s (Group 1) to 0.75 cm/s. Symmetry minimizes the torque ripple, allowing the power supply to maintain a stable equilibrium without aggressive voltage compensation.
For abnormal point in CV mode suggests that high-speed operation magnifies even microscopic mechanical imbalances, triggering a resonance point in the apparatus.
4.4 Error Analysis[edit | edit source]
4.4.1 Frequency Measurement Uncertainty[edit | edit source]
The rotational speed was calculated from the frequency measured by the Hall sensor on the oscilloscope. Therefore, any fluctuation in frequency directly caused uncertainty in the calculated speed. In this experiment, the StdDev shown on the oscilloscope represents the fluctuation of the measured frequency, so it can be used as an indicator of measurement uncertainty.
4.4.2 Hall sensor Limitations[edit | edit source]
One possible source of error is the Hall sensor itself. The output signal depends on the distance and alignment between the sensor and the magnet. If the sensor position was not perfectly fixed(In our experiment, the distance was fixed at 3cm), or if the magnetic field was not uniform(In our experiment, we used different magnets groups as control parameters), the detected pulse timing could vary slightly.
4.4.3 Mechanical Effects[edit | edit source]
Mechanical factors such as motor friction, air resistance, vibration, and rotor imbalance could also affect the results. These factors may cause the rotation speed to fluctuate during operation, especially at higher speeds. This can increase the scatter of the measured frequency and make the fitting less ideal.
4.4.4 Why Constant Voltage Gives a Better Fit[edit | edit source]
The linear fitting under constant voltage was better than under constant current. This is likely because the motor speed is more directly related to the applied voltage, while the current is more affected by load, friction, and torque changes. Under constant-current operation, the power supply has to adjust the voltage continuously, which may introduce extra instability.
4.4.5 StdDev Trend[edit | edit source]
The StdDev does not show a perfectly clear trend, but it generally becomes larger at higher voltage, current, or power. This suggests that the system becomes less stable at higher speed. Since the scatter is quite large, the relation between StdDev and electrical input is only approximately linear.
5 Conclusion[edit | edit source]
In this experiment, a Hall sensor was used to measure the rotational speed of a motor-driven disk by detecting periodic magnetic signals. The results show that the tangential velocity exhibits a clear linear relationship with both input voltage and input current. However, the linear fitting under constant voltage mode is significantly better than that under constant current mode, indicating that voltage control provides a more stable operating condition for the system.
For the measurement uncertainty, represented by the standard deviation of the frequency, an overall increasing trend was observed as the input increased. Although the data points show noticeable scatter, the general trend can still be approximated as linear. Compared to other possible models, the linear relationship provides a more consistent description across different experimental conditions, suggesting that it is a reasonable approximation for the system behavior.
Furthermore, the comparison between asymmetric and symmetric magnet configurations shows that magnetic symmetry plays an important role in system stability. The symmetric configuration significantly reduced fluctuations and improved the consistency of the measured signals.
Overall, the experiment demonstrates that Hall sensors can be effectively used for non-contact rotational speed measurement, and that both electrical control mode and mechanical symmetry are key factors affecting measurement accuracy and stability.
6 Reference[edit | edit source]
[1] M. Crescentini, S. F. Syeda and G. P. Gibiino, "Hall-Effect Current Sensors: Principles of Operation and Implementation Techniques," in IEEE Sensors Journal, vol. 22, no. 11, pp. 10137-10151, 1 June 1, 2022, doi: 10.1109/JSEN.2021.3119766.
[2] Park, Su-Mi, and Hong-Je Ryoo. "Pulsed power modulator with active pull-down using diode reverse recovery time." IEEE Transactions on Power Electronics 35.3 (2019): 2943-2949.
[3] Honeywell, SS311PT/SS411P Bipolar Hall-Effect Digital Position Sensors with Built-in Pull-up Resistor, Product Sheet 005914-1-EN, October 2009.
- ↑ M. Crescentini, S. F. Syeda and G. P. Gibiino, "Hall-Effect Current Sensors: Principles of Operation and Implementation Techniques," in IEEE Sensors Journal, vol. 22, no. 11, pp. 10137-10151, 1 June 1, 2022, doi: 10.1109/JSEN.2021.3119766.
- ↑ Honeywell, SS311PT/SS411P Bipolar Hall-Effect Digital Position Sensors with Built-in Pull-up Resistor, Product Sheet 005914-1-EN, October 2009.
- ↑ Park, Su-Mi, and Hong-Je Ryoo. "Pulsed power modulator with active pull-down using diode reverse recovery time." IEEE Transactions on Power Electronics 35.3 (2019): 2943-2949.